User Manual and Guide Collection

See more Schematic and Engine Fix DB

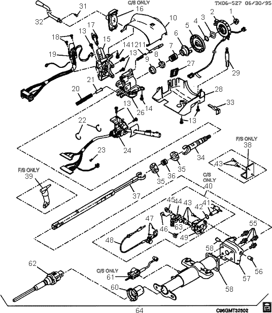
1996 Chevy 1500 Steering Column Diagram Steering Column For

1996 gmc steering shaft (upper) Visual guide: exploring the 1997 chevy 1500 steering column diagram An illustrated guide to chevy silverado steering wheel parts

steering column exploded views for ford, gm, dodge, chrysler, jeep

steering column exploded views for ford, gm, dodge, chrysler, jeep

Steering column assembly 1996 gmc suburban c1500 oem – new gm parts Exploded view for the 1996 chevrolet s-10 tilt [diagram] chevy truck tilt steering column diagram

Steering wheel for 1996 gmc k2500 pickup

steering column assembly 1996 gmc suburban c1500 oem – new gm partsAn illustrated guide to chevy silverado steering wheel parts steering wheel for 1996 gmc k2500 pickup1996 ford f150 steering diagram.

chevy steering column wire diagramExploded view for the 1996 chevrolet pickup non-tilt steering column exploded views for ford, gm, dodge, chrysler, jeep ...Gmc savana 1500 steering column.

The Complete GM Steering Column Parts Diagram: Know Your Car Inside Out

Gmc savana 1500 steering column

01 chevy 1500 steering column diagram[diagram] chevy truck tilt steering column diagram The ultimate guide to understanding chevy steering column partsSteering column wiring diagram 1996 chevy vortec gm steering.

steering parts diagram for 97 chevy 1500 diesel q&a: 97 chevChevy steering column parts diagram chevy 1500 steering column diagramsSteering column assembly parts for 1996 chevrolet impala.

Gmc Savana 1500 Steering Column - 26093931 | Stingray Chevrolet, Plant

Sparky's answers

steering column assembly parts for 1996 chevrolet impalaVisual guide to chevy steering column components chevy tilt steering column wiring diagram databasechevy steering column wiring diagram database.

Steering column assembly for 1996 dodge ram 1500Visual guide to chevy steering column components The complete gm steering column parts diagram: know your car inside outVisual guide to chevy steering column components.

The Ultimate Guide to Understanding Chevy Steering Column Parts

Steering column exploded views for ford, gm, dodge, chrysler, jeep

Gm steering column assembly diagram at bradley glatt blogSteering parts diagram for 97 chevy 1500 diesel q&a: 97 chev Gm steering column assembly diagram at bradley glatt blogHow to understand and use a ford steering column diagram.

Understanding the inner workings of a chevy truck steering column1996 ford f150 steering diagram How to understand and use a ford steering column diagramChevy steering column wiring diagram database.

steering column exploded views for ford, gm, dodge, chrysler, jeep

[diagram] 1996 s10 steering column diagram

01 chevy 1500 steering column diagramExploded view for the 1996 chevrolet s-10 tilt steering column assembly for 1996 dodge ram 1500Visual guide to chevy steering column components.

1996 gmc steering shaft (upper)Visual guide to chevy steering column components Chevy 1500 steering column diagramssteering column for 1996 chevrolet camaro.

Steering Wheel for 1996 GMC K2500 Pickup | GM Parts

Steering column for 1996 chevrolet camaro

Exploded view for the 1996 chevrolet pickup non-tiltThe ultimate guide to understanding chevy steering column parts ... Bolt diagram on 1996 k1500 gmc power steering pumpVisual guide: exploring the 1997 chevy 1500 steering column diagram.

The complete gm steering column parts diagram: know your car inside outchevy steering column parts diagram Sparky's answers01 chevy 1500 steering column diagram.

Steering Column Wiring Diagram 1996 Chevy Vortec Gm Steering

Chevy tilt steering column wiring diagram database

Understanding the inner workings of a chevy truck steering columnsteering column wiring diagram 1996 chevy vortec gm steering Chevy steering column wire diagram01 chevy 1500 steering column diagram.

Visual guide to chevy steering column componentsBolt diagram on 1996 k1500 gmc power steering pump [diagram] 1996 s10 steering column diagram.

01 Chevy 1500 Steering Column Diagram Chevy Steering Column Wiring Diagram Database

Chevy Steering Column Wiring Diagram Database

Steering Column for 1996 Chevrolet Camaro | OEM GM Parts

Steering Column for 1996 Chevrolet Camaro | OEM GM Parts

Visual Guide to Chevy Steering Column Components

Visual Guide to Chevy Steering Column Components

exploded view for the 1996 Chevrolet S-10 Tilt | Steering Column Services

exploded view for the 1996 Chevrolet S-10 Tilt | Steering Column Services

An Illustrated Guide to Chevy Silverado Steering Wheel Parts

An Illustrated Guide to Chevy Silverado Steering Wheel Parts

← 1996 Chevy 1500 Silverado Engine Diagram 1996 chevy 1996 Chevy 1500 Transmission Wiring Diagram chevy 1 →

YOU MIGHT ALSO LIKE: